Межкомнатный замок с защелкой и ручкой - это важный элемент интерьера, обеспечивающий безопасность и комфорт. В этой статье мы рассмотрим устройство данного замка и его основные компоненты.










































































-1000x1000.jpg)

















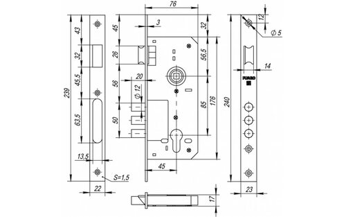
Основные компоненты замка
Межкомнатный замок состоит из механизма защелки, ручки и кармана. Механизм защелки обеспечивает открывание и закрывание двери, ручка служит для удобного управления замком, а карман предназначен для установки замка в дверное полотно.
Для наглядного представления устройства межкомнатного замка с защелкой и ручкой прилагаются фотографии, позволяющие лучше понять его устройство и принцип работы.
В заключение, устройство межкомнатного замка с защелкой и ручкой является важным элементом безопасности и удобства в интерьере. Понимание его устройства поможет вам правильно выбрать и установить подходящий замок для вашей двери.