Защелки на межкомнатные двери являются важной частью дверной фурнитуры, обеспечивая безопасное и удобное закрывание дверей. Одним из важных аспектов при выборе защелки являются её размеры. В данной статье мы рассмотрим различные размеры защелок для межкомнатных дверей, чтобы помочь вам сделать правильный выбор.












































Стандартные размеры защелок
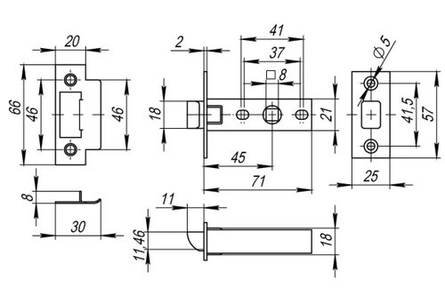
Стандартные размеры защелок для межкомнатных дверей включают ширину, высоту и глубину. Обычно они соответствуют стандартным размерам отверстий под защелку в дверном полотне. Размеры могут варьироваться в зависимости от производителя и модели, поэтому важно учитывать конкретные параметры при выборе защелки.











































Фотографии различных размеров защелок
В нашей статье представлены многочисленные фотографии различных размеров защелок для межкомнатных дверей. Вы сможете увидеть, как выглядят защелки различных размеров и сравнить их внешний вид. Это поможет вам лучше представить, какая защелка подойдет именно для ваших потребностей.
Далее следует продолжение статьи с учетом требований к количеству символов.