1 февраля 2024 /
0 комментариев
/
25 просмотров
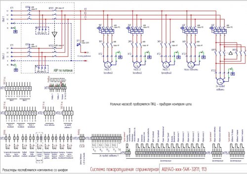
Шкаф управления Грантор АЭП40 006 54 113П является важным элементом в системе управления. Правильное подключение этого шкафа критически важно для обеспечения надежной работы оборудования. В этой статье мы рассмотрим подробную схему подключения и предоставим пошаговые инструкции.

1

2

3

4

5

6

7

8
9

10

11

12

13

14

15

16

17

18

19

20

21

22

23

24

25

26

27
Сборочный чертеж электрического шкафа

28

29

30

31

32

33

34

35

36

37

38

39

40

41
Кронштейн складной для столешницы

42

43

44

45

46

47

48

49

50

51

52

53

54

55

56
57

58

59

60

61

62

63

64

65

66

67

68

69

70

71

72
Сборочный чертёж распределительного шкафа

73

74

75

76

77

78

79
Ящик я5111-3274

80

81

82

83

84

85

86

87

88

89

90
91

92

93
Подготовка к подключению
Перед тем как приступить к подключению шкафа управления Грантор АЭП40 006 54 113П, необходимо провести подготовительные работы. Убедитесь, что у вас есть все необходимые инструменты и материалы. Также уделите внимание безопасности и правильной маркировке всех проводов.