18 января 2024 /
0 комментариев
/
33 просмотра
Кодовые замки защелки становятся все более популярными в сфере безопасности. Они обеспечивают простой и удобный способ контроля доступа к помещению. В данной статье мы рассмотрим процесс установки кодового замка защелки ЗКП 2.

1

2

3
Меттэм ЗКП-1

4

5

6

7

8

9

10

11

12

13

14

15

16

17

18

19

20

21

22

23

24

25

26
Дверь с кодовым замком меттэм

27

28

29

30

31

32

33

34

35

36

37

38

39
40

41

42
Кодовый электрозамок на калитку

43

44
Шаг 1: Подготовка к установке
Перед началом установки необходимо провести подготовительные работы. Убедитесь, что выбранное место для установки замка подходит по размерам и типу поверхности. Также удостоверьтесь, что у вас есть все необходимые инструменты и комплектующие.

45

46

47

48
Ручка-скоба РС-100 /ант.медь

49

50

51

52

53

54
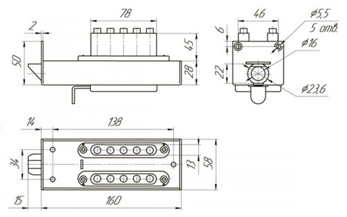
Механизм замка кодового чертеж

55

56

57

58

59

60

61

62

63

64

65
ЗКП-40 (ЗКП-2) кодовый "меттэм"

66

67
68
69

70

71
72

73

74
Меттэм меттэм-ЗКП-2 02159

75

76

77

78

79

80
Меттэм ЗКП-2 (10)

81

82

83

84

85
Меттэм ЗКП-30

86

87
Матирующий увлажняющий крем "ягода асаи и бораго" grown Alchemist
Шаг 2: Установка замка
Подробные инструкции по установке замка защелки ЗКП 2 сопровождаются фотографиями, чтобы облегчить процесс установки и сделать его более понятным.